F-55系列力敏传感器
产品简介:
|
操作力度 |
0~13.3N,极限破坏力111N |
|
激励电压 |
5VDC |
|
满量程输出(F.S.) |
2.5±0.57×(1±20%)VDC(25℃环境下) |
|
零位误差 |
不超过±0.120VDC(25℃环境下) |
|
零位迟滞 |
在5磅力(22.2N)完全释放4~6秒内,电压值不超过±0.007 VDC |
|
灵敏度 |
±0.0428×(1±20%)VDC/N |
|
|
|
|
激励电压 |
±5VDC或10VDC |
|
满量程输出(F.S.) (±5VDC) (10VDC) |
±1.14×(1±20%)VDC(25℃环境下) 5±1.14×(1±20%)VDC |
|
零位误差 |
不大于±0.150VDC(25℃环境下) |
|
零位迟滞 |
在5磅力(22.2N)完全释放4~6秒内,电压值不超过±0.007 VDC |
|
灵敏度 |
±0.0857×(1±20%)VDC/N |
|
|
|
|
激励电压 |
±6VDC或12VDC |
|
满量程输出(F.S.) (±6VDC) (12VDC) |
±1.40×(1±20%)VDC(25℃环境下) 6±1.40×(1±20%)VDC |
|
零位误差 |
不大于±0.150VDC(25℃环境下) |
|
零位迟滞 |
在5磅力(22.2N)完全释放4~6秒内,电压值不超过±0.007 VDC |
|
灵敏度 |
±0.0857×(1±20%)VDC/N |
|
|
|
|
激励电压 |
±5VDC或10VDC |
|
最大激励电压 |
±10VDC或20VDC |
|
满量程输出(F.S.) (±5VDC) (10VDC) |
±1.00×(1±20%)VDC(常温) 5±1.00×(1±20%)VDC |
|
零位误差 |
不大于±0.50VDC(常温) |
|
零位迟滞 |
在5磅力(22.2N)完全释放4~6秒内,电压值不超过±0.007 VDC |
|
灵敏度 |
±0.0068×(1±20%)VDC/N |
|
100%国产化 |
|
|
|
|
|
激励电压 |
±5VDC或10VDC |
|
操作力度 |
0~10.5N,极限破坏力111N |
|
满量程输出(F.S.) (±5VDC) (10VDC) |
±1.00×(1±20%)VDC(常温) 5±1.00×(1±20%)VDC |
|
零位误差 |
不大于±0.50VDC(常温) |
|
零位迟滞 |
在5磅力(22.2N)完全释放4~6秒内,电压值不超过±0.007 VDC |
|
灵敏度 |
±0.0095×(1±20%)VDC/N |
|
100%国产化 |
|
|
|
|
|
激励电压 |
±5VDC或10VDC |
|
操作力度 |
0~14.7N,极限破坏力111N |
|
满量程输出(F.S.) (±5VDC) (10VDC) |
±1.00×(1±20%)VDC(常温) 5±1.00×(1±20%)VDC |
|
零位误差 |
不大于±0.50VDC(常温) |
|
零位迟滞 |
在5磅力(22.2N)完全释放4~6秒内,电压值不超过±0.007 VDC |
|
灵敏度 |
±0.0068×(1±20%)VDC/N |
|
100%国产化 |
|
|
|
|
|
激励电压 |
±7.5VDC或15VDC |
|
操作力度 |
0~14.7N,极限破坏力111N |
|
满量程输出(F.S.) (±7.5VDC) (15VDC) |
±1.5×(1±20%)VDC(25℃环境下) 7.5±1.50×(1±20%)VDC |
|
零位误差 |
不大于±0.100VDC(25℃环境下) |
|
零位迟滞 |
在5磅力(22.2N)完全释放4~6秒内,电压值不超过±0.007 VDC |
|
灵敏度 |
±0.1×(1±20%)VDC/N |
|
100%国产化 |
|
|
|
|
|
热零位漂移 |
不超过±0.04%F.S./℃ |
|
耦合 |
不超过10%F.S. |
|
热灵敏度漂移 |
不超过±0.38%F.S./℃ |
|
分辨率 |
连续输出,无死区 |
|
非线性 |
±2%F.S. |
|
特殊说明 |
|
|
1、零位误差可以按要求最小可达不大于20mv; |
|
|
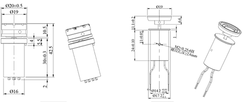
2、推动帽样式和产品外观可以按要求定制; |
|
|
3、防护等级IP65、IP67可选; |
|
|
4、底部端子可选线路板出4条线缆。 |
|
企业公众号