型号AP-5B2S为工业级的两档三位置(ON-OFF-ON)拨动开关,通过拨动杆帽接通或断开电路,具有滑块动作灵活、使用寿命长、性能稳定可靠等特点,适合配置在众多工业操纵装置的面板上实现相应的功能。
产品介绍
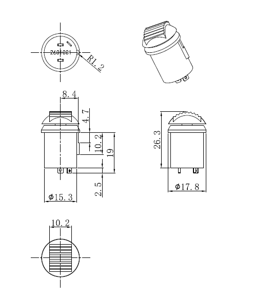
1.结构说明:
1.1外形尺寸见右图;单位:毫米;
1.2三位置开关,操作力0~3N弹簧自复位;
1.3质量:约15g;
1.4材质:
帽子、外壳:PC;
喘子:铜(表面电锁银)
2.电气规格:
2. 1自复位开关,1A@28Vdc, (ON)-OFF-(ON);
2. 2电气寿命:10万次;
3.环境参数:
3. 1 工作温度: -45°c~ +70°C
3. 2 存贮温度: -50°C~ +75°c
3. 3 防护等级:IP66
公众号